System / Add-in Manager / View Definition Wizard

Highlighted Drawing (Concept)

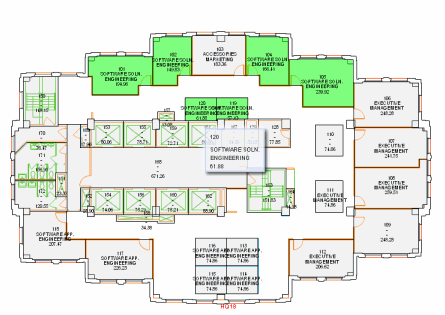
A highlighted drawing shows the drawing highlighted using a restriction you set. It highlights a single value. For example, the drawing below highlights the rooms that are assigned to the Engineering Department.

example of a highlighted drawing